- 产地:
- 北京
- 型号:
- F-400/4500
润滑泵被广泛应用于食品加工、医药化工、机械制造等多个领域。食品加工领域润滑泵在食品加工中起着很重要的作用,能够保障食品机械设备的正常运行,同时保持食品加工设备的卫生条件。
产品特点
抽速可达4500l/s,广泛应用于真空镀膜
性能稳定,使用寿命长,占用空间少
维护保养简单,方便操作
适用范围广,性能稳定
应用领域
科学研究、ITO镀膜、光学镀膜、装饰镀膜、平板显示、真空炉、电真空、新能源、新材料、真空干燥、低温制冷、电子器件
技术指标
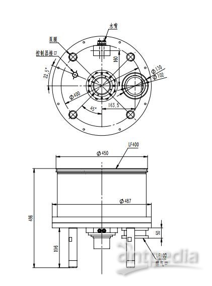
进气口法兰:DN400 ISO-K
排气口法兰(ISO-KF):DN100 ISO-K
抽速速率(L/s):N2:4500 He:3200 H2:2000 Ar:4200
压缩比:N2:5E7 He:1E3 H2:5E2 Ar:5E7
极限压强(Pa):2E-6
最大连续前级压强(Pa):100
最大前级压强(Pa):N2:300
最大气载量(sccm):N2:5500 He:4000 H2:3200 Ar:2100
额定转速(RPM):15300
启动时间(min):≤10
冷却方式:水冷
冷却水流量(L/min):≥1
冷却水温度(℃):≤25
电源电压(V AC):DC24/AC220
最大功率(W):≤1100
适配电源型号:FD-III
建议前级泵(L/s):30
重量(kg):118
尺寸

产品特性

F-400/4500 油润滑分子泵应用于食品加工领域由北京中科科仪股份有限公司 为您提供,如您想了解更多关于F-400/4500 油润滑分子泵应用于食品加工领域报价、参数等信息 ,欢迎来电或留言咨询。

















第1年
通过仪器仪表网【www.yqybw.cn】认证 


SBC-12小型离子溅射仪
FF-200/1300F型脂润滑分子泵用于科
ZDF-11B5真空计环保工程
FF-200/1300型脂润滑分子泵应用于碳
FF-200/1200油润滑泵应用于汽车制造
GVC-1000小型离子溅射仪用于光学领
ZDL-14/0B6真空计用于物理研究
FF-200/1300型脂润滑分子泵应用于磁
FF-100/300型仪器分子泵应用于3d打
FF-200/1300F型脂润滑分子泵用于装

鲁公网安备37021402001368号