- 产地:
- 北京
- 型号:
- F-400/4500
产品应用
涡轮分子泵转子都用油润滑轴承。因为这种轴承在转子的排气侧,所以油蒸汽不会到达涡轮分子泵的入口。在工作压强的高压端,通过轴承的油流可用来散失掉气体摩擦热。在低压下主要是油的摩擦本身造成转子温度增高。应用于科学研究。
抽速可达4500l/s,广泛应用于真空镀膜
性能稳定,使用寿命长,占用空间少
维护保养简单,方便操作
适用范围广,性能稳定
应用领域
科学研究、ITO镀膜、光学镀膜、装饰镀膜、平板显示、真空炉、电真空、新能源、新材料、真空干燥、低温制冷、电子器件
技术指标
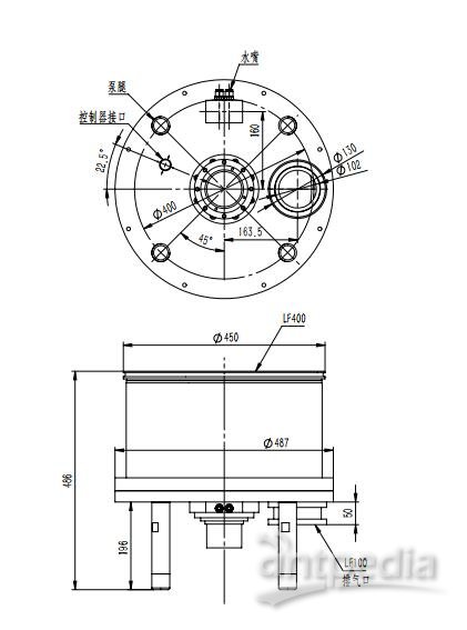
进气口法兰:DN400 ISO-K
排气口法兰(ISO-KF):DN100 ISO-K
抽速速率(L/s):N2:4500 He:3200 H2:2000 Ar:4200
压缩比:N2:5E7 He:1E3 H2:5E2 Ar:5E7
极限压强(Pa):2E-6
最大连续前级压强(Pa):100
最大前级压强(Pa):N2:300
最大气载量(sccm):N2:5500 He:4000 H2:3200 Ar:2100
额定转速(RPM):15300
启动时间(min):≤10
冷却方式:水冷
冷却水流量(L/min):≥1
冷却水温度(℃):≤25
电源电压(V AC):DC24/AC220
最大功率(W):≤1100
适配电源型号:FD-III
建议前级泵(L/s):30
重量(kg):118
尺寸

产品特性

F-400/4500 油润滑分子泵应用于科学研究由北京中科科仪股份有限公司 为您提供,如您想了解更多关于F-400/4500 油润滑分子泵应用于科学研究报价、参数等信息 ,欢迎来电或留言咨询。

















第1年
通过仪器仪表网【www.yqybw.cn】认证 


F-250/1500油润滑泵
ZDF-52B5真空计用于材料科学
CXF-250/2301型磁悬浮分子泵应用于
FF-100/110型脂润滑分子泵应用于光
CXF-320/3000型磁悬浮分子泵
ZQJ-2000型氦质谱检漏仪
FF-250/1600G 油润滑泵应用于能源行
FF-63/80型仪器分子泵应用于薄膜沉
ZDZ-52T/0B7真空计应用于工业制造
CXF-200/1401型磁悬浮分子泵应用于

鲁公网安备37021402001368号