- 产地:
- 北京
- 型号:
- FF-160/700F
应用领域
适用于食品、科研、医疗、电子、化工、医药、大专院校等部门,真空泵利用机械、物理、化学、物理化学等方法对容器进行抽气,以获得和维持真空的装置。真空泵和其他设备(如真空容器、真空阀、真空测量仪表、连接管路等)组成真空系统,广泛应用于电子、冶金、化工、食品、机械、医药、航天等部门真空泵可单独使用,也可用为增压泵、扩散泵、分子泵的前级泵、维持泵、钛泵的预抽泵用。可用于电真空容器制造、真空焊接、印刷、吸塑、制冷设备维修及仪器仪表设备配套和实验室等。
产品特点
任意角度安装,便于系统集成,紧凑型结构
复合抽气结构,高前级压强下仍保持较大抽速
高强度转子,适用于复杂工业过程
使用方便、应用范围广、性能稳定
技术指标
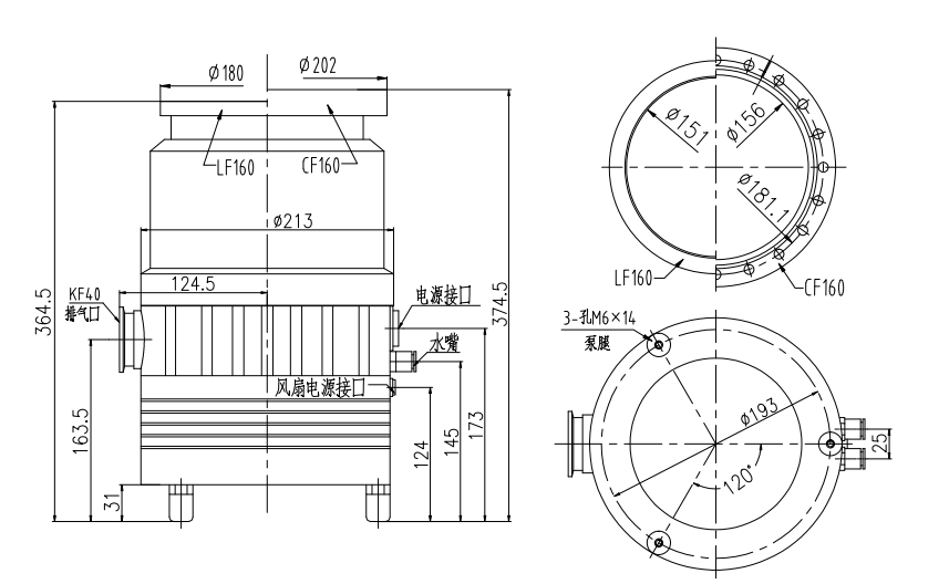
进气口法兰:DN160 CF DN160 ISO-K
排气口法兰(ISO-KF):DN40
抽速速率(L/s):N2:700 He:580 H2:260 Ar:680
压缩比:N2:1E9 He:1E7 H2:1E6 Ar:1E9
极限压强(Pa):CF:6E-8 ISO-K:6E-7
最大连续前级压强(Pa):300
最大前级压强(Pa):N2:550
最大气载量(sccm):N2:1400 He:1000 H2:800 Ar:550
额定转速(RPM):36000
启动时间(min):≤7
冷却方式:水冷或风冷
冷却水流量(L/min):≥1
冷却水温度(℃):≤25
电源电压(V AC):DC24/AC220
最大功率(W):≤500
适配电源型号:FD-II、FD-IIB、TCDP-II、TD-II
建议前级泵(L/s):4~8
重量(kg):23(LF)24.5(CF)
尺寸

产品特性

FF-160/700F 型脂润滑分子泵应用于食品由北京中科科仪股份有限公司 为您提供,如您想了解更多关于FF-160/700F 型脂润滑分子泵应用于食品报价、参数等信息 ,欢迎来电或留言咨询。

















第1年
通过仪器仪表网【www.yqybw.cn】认证 


ZQJ-3000型氦质谱检漏仪应用于核能
GVC-1000小型离子溅射仪
FF-160/620油润滑泵应用于医药和化
ZQJ-3200型氦质谱检漏仪
FF-200/1200油润滑泵应用于汽车制造
ZDL-14/0B6真空计用于物理研究
CXF-200/1401型磁悬浮分子泵应用于
ZQJ-230D型氦质谱检漏仪应用于阀门
FJ-700型分子泵机组应用于化学实验
FF-63/80型仪器分子泵应用于光学

鲁公网安备37021402001368号