- 产地:
- 北京
- 型号:
- FF-250/1600G
润滑油泵在化工行业也得到了广泛的应用。化工行业的生产过程中,往往需要大量的润滑油来保证设备的正常运行。润滑油泵能够准确、稳定地输送润滑油,满足化工设备高速运转和高温环境下的润滑需求。同时,润滑油泵所采用的高性能材料和先进技术,使其能够抵御酸碱腐蚀和高温侵蚀,提高设备的使用寿命和生产效率。
产品特点
抗冲击型,适用于负载较大的情况
能满足较恶劣的使用环境要求(高温、粉尘等)
性能稳定,使用寿命长
维护保养简单,方便操作
适用范围广,性能稳定
应用领域
科学研究、加速器、碳化硅、晶体晶振、ITO镀膜、光学镀膜、装饰镀膜、平板显示、真空炉、电真空、新能源、新材料、真空干燥、低温制冷、电子器件
技术指标
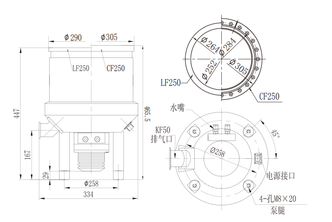
进气口法兰:DN250 CF DN250 ISO-K
排气口法兰(ISO-KF):DN50
抽速速率(L/s):N2:1600 He:1550 H2:1000 Ar:640
压缩比:N2:1E8 H2:5E3 He:1E4 Ar:1E8
极限压强(Pa):CF:6E-7 ISO-K:6E-6
最大连续前级压强(Pa):200
最大前级压强(Pa):N2:650
最大气载量(sccm):N2:2500 He:1850 H2:1450 Ar:950
额定转速(RPM):24000
启动时间(min):≤9
冷却方式:水冷
冷却水流量(L/min):≥1
冷却水温度(℃):≤25
电源电压(V AC):DC24/AC220
最大功率(W):≤750
适配电源型号:FD-II、FD-IIB、TCDP-II、TD-II
建议前级泵(L/s):15
重量(kg):47(LF) 50(CF)
尺寸

产品特性

FF-250/1600G 油润滑泵应用于化工行业由北京中科科仪股份有限公司 为您提供,如您想了解更多关于FF-250/1600G 油润滑泵应用于化工行业报价、参数等信息 ,欢迎来电或留言咨询。

















第1年
通过仪器仪表网【www.yqybw.cn】认证 


镀膜机
FF-160/620油润滑泵应用于化工行业
FF-160/700型脂润滑分子泵应用于平
CXF-200/1401型磁悬浮分子泵应用于
全自动磁控离子溅射仪 GVC-2000
ZQJ-3000型氦质谱检漏仪应用于飞机
CXF-320/3001型磁悬浮分子泵应用于
ZQJ-3200型氦质谱检漏仪应用于土壤
FF-200/1200油润滑泵应用于电子器件
FF-100/110型脂润滑分子泵应用于加

鲁公网安备37021402001368号