- 产地:
- 北京
- 型号:
- FF-160/620
润滑泵被广泛应用于食品加工、医药化工、机械制造等多个领域。医药和化工领域的机械设备对润滑系统的要求很高,需要具备防腐性、耐腐蚀性以及能够满足精密配药等要求。
产品特点
能满足较恶劣的使用环境要求(高温、粉尘等)
性能稳定,使用寿命长
维护保养简单,方便操作
适用范围广,性能稳定
应用领域
科学研究、加速器、碳化硅、晶体晶振、真空炉、电真空、新能源、新材料、真空干燥、低温制冷、电子器件
技术指标
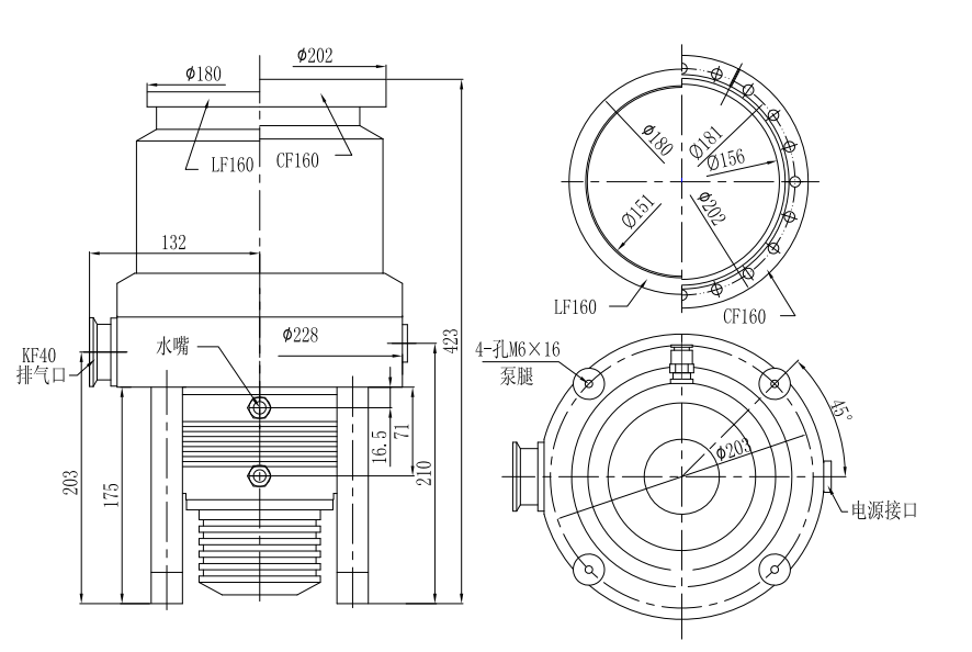
进气口法兰:DN160 CF DN160 ISO-K
排气口法兰(ISO-KF):DN40
抽速速率(L/s):N2:600 He:380 H2:240 Ar:580
压缩比:N2:1E9 He:1E4 H2:1E3 Ar:1E9
极限压强(Pa):CF:6E-7 ISO-K:6E-6
最大连续前级压强(Pa):240
最大前级压强(Pa):N2:350
最大气载量(sccm):N2:1200 He:880 H2:700 Ar:450
额定转速(RPM):27000
启动时间(min):≤7
冷却方式:水冷
冷却水流量(L/min):≥1
冷却水温度(℃):≤25
电源电压(V AC):DC24/AC220
最大功率(W):≤500
适配电源型号:FD-II、FD-IIB、TCDP-II、TD-II
建议前级泵(L/s):4~8
重量(kg):29(LF) 30.5(CF)
尺寸

产品特性

FF-160/620油润滑泵应用于医药和化工由北京中科科仪股份有限公司 为您提供,如您想了解更多关于FF-160/620油润滑泵应用于医药和化工报价、参数等信息 ,欢迎来电或留言咨询。

















第1年
通过仪器仪表网【www.yqybw.cn】认证 


FF-63/80型仪器分子泵
ZQJ-3200型氦质谱检漏仪应用于电厂
FF-250/2000型脂润滑分子泵应用于晶
ZDF-62B5真空计用于低真空领域的过
全自动磁控离子溅射仪 GVC-2200用于
FJ-620型分子泵机组应用于生产制造
KYKY ZQJ-2300氦质谱检漏仪
KYKY-EM6200钨灯丝扫描电子显微镜
FF-200/1300型脂润滑分子泵应用于磁
KYF-181皮拉尼冷阴极全量程变送器用

鲁公网安备37021402001368号