- 产地:
- 北京
- 型号:
- FF-200/1300F
产品特点
任意角度安装,便于系统集成,紧凑型结构
复合抽气结构,高前级压强下仍保持较大抽速
高强度转子,适用于复杂工业过程
使用方便、应用范围广、性能稳定
应用领域
科学研究、晶体晶振、光伏、Low-E玻璃镀膜、ITO镀膜、光学镀膜、装饰镀膜、平板显示、真空炉、电真空、新能源、新材料、真空干燥、低温制冷、电子器件
技术指标
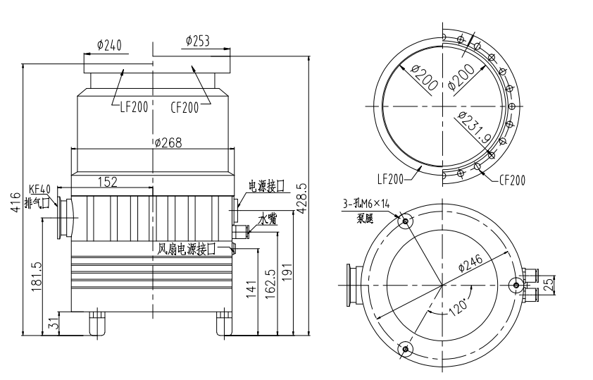
进气口法兰:DN200 CF DN200 ISO-K
排气口法兰(ISO-KF):DN40
抽速速率(L/s):N2:1300 He:1000 H2:480 Ar:1250
压缩比:N2:1E9 He:1E4 H2:1E3 Ar:1E9
极限压强(Pa):CF:6E-7 ISO-K:6E-6
最大连续前级压强(Pa):240
最大前级压强(Pa):N2:600
最大气载量(sccm):N2:2500 He:1850 H2:1450 Ar:950
额定转速(RPM):24000
启动时间(min):≤9
冷却方式:水冷或风冷
冷却水流量(L/min):≥1
冷却水温度(℃):≤25
电源电压(V AC):DC24/AC220
最大功率(W):≤500
适配电源型号:FD-II、FD-IIB、TCDP-II、TD-II
建议前级泵(L/s):15
重量(kg):33(LF) 35(CF)
尺寸

产品特性

FF-200/1300F型脂润滑分子泵用于科学研究由北京中科科仪股份有限公司 为您提供,如您想了解更多关于FF-200/1300F型脂润滑分子泵用于科学研究报价、参数等信息 ,欢迎来电或留言咨询。

















第1年
通过仪器仪表网【www.yqybw.cn】认证 


ZQJ-3000型氦质谱检漏仪应用于电力
FF-250/1600G 油润滑泵应用于汽车行
ZDR-27/0B6 真空计应用于气象研究
KYKY-EM8000场发射扫描电子显微镜用
KYP-101皮拉尼真空变送器用于分析
FF-160/700F 型脂润滑分子泵应用于
ZDF-11B7真空计
ZQJ-230EK氦质谱检漏仪用于火电厂汽
ZDF-11B5真空计环保工程
FF-100/150型仪器分子泵应用于半导

鲁公网安备37021402001368号