- 产地:
- 北京
- 型号:
- F-400/4500
润滑泵分类
润滑泵是一种用于润滑油脂输送的机械设备,润滑泵按照其传动方式、润滑方式和泵的原理等多种方式都能进行分类,常见的分类方法有以下几种:
1、按传动方式分类
润滑泵按传动方式可以分为手动、电动、气动和水动四种类型。
2、按润滑方式分类
从润滑方式来看,润滑泵可以分为油循环润滑泵、油脂润滑泵、油气润滑泵和油滴润滑泵四种类型。
3、按泵原理分类
润滑泵按泵原理可以分为齿轮泵、齿轮泵、液压隔膜泵、柱塞泵和蠕动泵五种类型。
产品特点
抽速可达4500l/s,广泛应用于真空镀膜
性能稳定,使用寿命长,占用空间少
维护保养简单,方便操作
适用范围广,性能稳定
应用领域
科学研究、ITO镀膜、光学镀膜、装饰镀膜、平板显示、真空炉、电真空、新能源、新材料、真空干燥、低温制冷、电子器件
技术指标
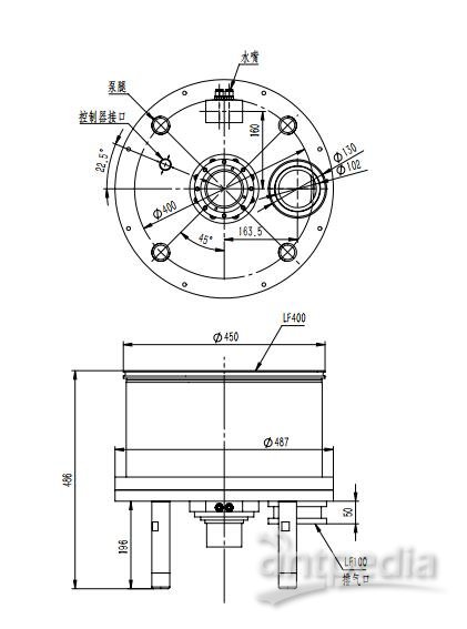
进气口法兰:DN400 ISO-K
排气口法兰(ISO-KF):DN100 ISO-K
抽速速率(L/s):N2:4500 He:3200 H2:2000 Ar:4200
压缩比:N2:5E7 He:1E3 H2:5E2 Ar:5E7
极限压强(Pa):2E-6
最大连续前级压强(Pa):100
最大前级压强(Pa):N2:300
最大气载量(sccm):N2:5500 He:4000 H2:3200 Ar:2100
额定转速(RPM):15300
启动时间(min):≤10
冷却方式:水冷
冷却水流量(L/min):≥1
冷却水温度(℃):≤25
电源电压(V AC):DC24/AC220
最大功率(W):≤1100
适配电源型号:FD-III
建议前级泵(L/s):30
重量(kg):118
尺寸

产品特性

F-400/4500 油润滑分子泵应用于光学镀膜由北京中科科仪股份有限公司 为您提供,如您想了解更多关于F-400/4500 油润滑分子泵应用于光学镀膜报价、参数等信息 ,欢迎来电或留言咨询。

















第1年
通过仪器仪表网【www.yqybw.cn】认证 


ZQJ-3200型氦质谱检漏仪应用于土壤
ZDR-27/0B6 真空计应用于气象研究
全自动磁控离子溅射仪 GVC-2200手套
FF-250/2000型脂润滑分子泵应用于半
F-400/3500B 油润滑分子泵应用于科
KYKY-EM82系列超高分辨场发射扫描电
FF-250/2000型脂润滑分子泵应用于医
FJ-700型分子泵机组应用于半导体工
FF-63/80型仪器分子泵应用于电子显
F-400/4500 油润滑分子泵应用于光学

鲁公网安备37021402001368号