- 产地:
- 北京
- 型号:
- F-400/4500
产品应用
分子泵在产品的生产制造流程中表面处理的环节发挥着不可或缺的作用,分子泵是一种高速旋转的机械泵,因此对平衡的要求很高,对固体异物非常脆弱,通常要在分子泵的入口处安装金属过滤网。分子泵在工作过程中,如果压强突然恶化,则有可能损坏叶片,分子泵与油封式旋片泵和涡轮式干泵相比,工作环境更加清洁,而且可以达到更高的真空度。但是,分子泵不能在大气压下工作,需要和其他能够在大气压下工作的粗抽真空泵(油封式旋片泵或涡轮式干泵)联合使用。分子泵构造复杂、价格昂贵,高速旋转工作时会有振动,分子泵的抽气机理与机械泵靠泵腔容积变化进行抽气的机理不同,利用了动量传递原理,使分子定向流动而被排出泵外,从而达到抽气的目的。
产品特点
抽速可达4500l/s,广泛应用于真空镀膜
性能稳定,使用寿命长,占用空间少
维护保养简单,方便操作
适用范围广,性能稳定
应用领域
科学研究、ITO镀膜、光学镀膜、装饰镀膜、平板显示、真空炉、电真空、新能源、新材料、真空干燥、低温制冷、电子器件
技术指标
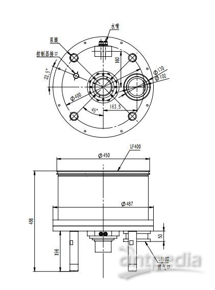
进气口法兰:DN400 ISO-K
排气口法兰(ISO-KF):DN100 ISO-K
抽速速率(L/s):N2:4500 He:3200 H2:2000 Ar:4200
压缩比:N2:5E7 He:1E3 H2:5E2 Ar:5E7
极限压强(Pa):2E-6
最大连续前级压强(Pa):100
最大前级压强(Pa):N2:300
最大气载量(sccm):N2:5500 He:4000 H2:3200 Ar:2100
额定转速(RPM):15300
启动时间(min):≤10
冷却方式:水冷
冷却水流量(L/min):≥1
冷却水温度(℃):≤25
电源电压(V AC):DC24/AC220
最大功率(W):≤1100
适配电源型号:FD-III
建议前级泵(L/s):30
重量(kg):118
尺寸

产品特性

F-400/4500 油润滑分子泵应用于装饰镀膜由北京中科科仪股份有限公司 为您提供,如您想了解更多关于F-400/4500 油润滑分子泵应用于装饰镀膜报价、参数等信息 ,欢迎来电或留言咨询。

















第1年
通过仪器仪表网【www.yqybw.cn】认证 


FF-40/25型仪器分子泵应用于表面分
FF-100/300型脂润滑分子泵
ZQJ-3000型氦质谱检漏仪应用于电力
FF-200/1300型脂润滑分子泵应用于碳
F-400/3500B 油润滑分子泵应用于制
ZDF-52B5真空计用于材料科学
KYKY-EM6200钨灯丝扫描电子显微镜
ZQJ-3200型氦质谱检漏仪应用于空气
FF-100/300型仪器分子泵应用于3d打

鲁公网安备37021402001368号