- 产地:
- 北京
- 型号:
- FF-200/1300F
产品特点
任意角度安装,便于系统集成,紧凑型结构
复合抽气结构,高前级压强下仍保持较大抽速
高强度转子,适用于复杂工业过程
使用方便、应用范围广、性能稳定
应用领域
科学研究、晶体晶振、光伏、Low-E玻璃镀膜、ITO镀膜、光学镀膜、装饰镀膜、平板显示、真空炉、电真空、新能源、新材料、真空干燥、低温制冷、电子器件
技术指标
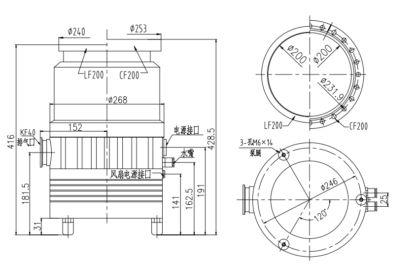
进气口法兰:DN200 CF DN200 ISO-K
排气口法兰(ISO-KF):DN40
抽速速率(L/s):N2:1300 He:1000 H2:480 Ar:1250
压缩比:N2:1E9 He:1E4 H2:1E3 Ar:1E9
极限压强(Pa):CF:6E-7 ISO-K:6E-6
最大连续前级压强(Pa):240
最大前级压强(Pa):N2:600
最大气载量(sccm):N2:2500 He:1850 H2:1450 Ar:950
额定转速(RPM):24000
启动时间(min):≤9
冷却方式:水冷或风冷
冷却水流量(L/min):≥1
冷却水温度(℃):≤25
电源电压(V AC):DC24/AC220
最大功率(W):≤500
适配电源型号:FD-II、FD-IIB、TCDP-II、TD-II
建议前级泵(L/s):15
重量(kg):33(LF) 35(CF)
尺寸

产品特性

FF-200/1300F型脂润滑分子泵由北京中科科仪股份有限公司 为您提供,如您想了解更多关于FF-200/1300F型脂润滑分子泵报价、参数等信息 ,欢迎来电或留言咨询。

















第1年
通过仪器仪表网【www.yqybw.cn】认证 


FF-200/1300F型脂润滑分子泵用于机
FF-100/110型脂润滑分子泵应用于航
CXF-200/1401型磁悬浮分子泵
FJ-80型分子泵机组
KYKY ZQJ-2300氦质谱检漏仪
ZDF-52B5真空计用于导电、热导
全自动磁控离子溅射仪 GVC-2000用于
FF-250/2000型脂润滑分子泵应用于医
全自动磁控离子溅射仪 GVC-2200用于
F-400/4500 油润滑分子泵应用于光学

鲁公网安备37021402001368号