- 产地:
- 北京
- 型号:
- F-400/4500
应用领域
科学研究、ITO镀膜、光学镀膜、装饰镀膜、平板显示、真空炉、电真空、新能源、新材料、真空干燥、低温制冷、电子器件
产品特点
抽速可达4500l/s,广泛应用于真空镀膜
性能稳定,使用寿命长,占用空间少
维护保养简单,方便操作
适用范围广,性能稳定
技术指标
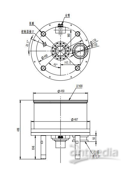
进气口法兰:DN400 ISO-K
排气口法兰(ISO-KF):DN100 ISO-K
抽速速率(L/s):N2:4500 He:3200 H2:2000 Ar:4200
压缩比:N2:5E7 He:1E3 H2:5E2 Ar:5E7
极限压强(Pa):2E-6
最大连续前级压强(Pa):100
最大前级压强(Pa):N2:300
最大气载量(sccm):N2:5500 He:4000 H2:3200 Ar:2100
额定转速(RPM):15300
启动时间(min):≤10
冷却方式:水冷
冷却水流量(L/min):≥1
冷却水温度(℃):≤25
电源电压(V AC):DC24/AC220
最大功率(W):≤1100
适配电源型号:FD-III
建议前级泵(L/s):30
重量(kg):118
尺寸

产品特性

F-400/4500 油润滑分子泵应用于电子器件由北京中科科仪股份有限公司 为您提供,如您想了解更多关于F-400/4500 油润滑分子泵应用于电子器件报价、参数等信息 ,欢迎来电或留言咨询。

















第1年
通过仪器仪表网【www.yqybw.cn】认证 


KYKY-EM8000场发射扫描电子显微镜用
SBC-2型试样表面处理机
KYKY ZQJ-2300氦质谱检漏仪用于工业
CXF-320/3001型磁悬浮分子泵应用于
ZDL-14/0B6真空计用于制造芯片
F-400/3500B 油润滑分子泵应用于新
ZDF-52B5真空计用于导电、热导
ZDR-12/0B6真空计应用于环保工程
FF-40/25型仪器分子泵应用于PVD镀膜
FF-250/2000型脂润滑分子泵应用于半

鲁公网安备37021402001368号