- 产地:
- 北京
- 型号:
- FF-200/1200
应用领域
科学研究、加速器、碳化硅、晶体晶振、真空炉、电真空、新能源、新材料、真空干燥、低温制冷、电子器件
产品特点
能满足较恶劣的使用环境要求(高温、粉尘等)
性能稳定,使用寿命长
维护保养简单,方便操作
适用范围广,性能稳定
技术指标
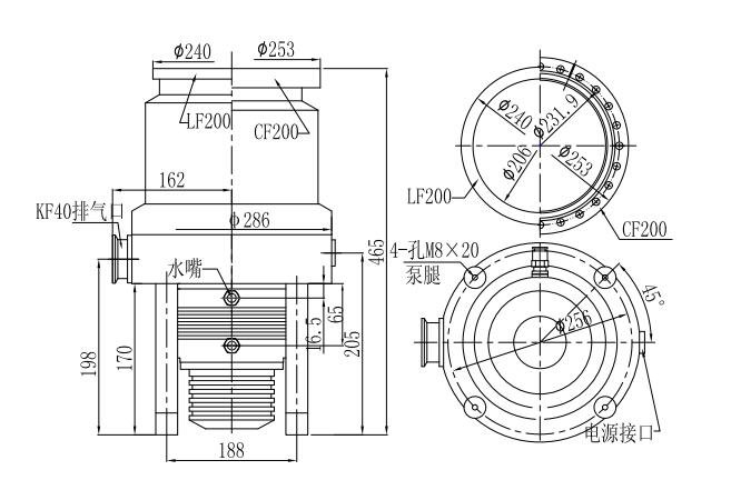
进气口法兰:DN200 CF DN200 ISO-K
排气口法兰(ISO-KF):DN40
抽速速率(L/s):N2:1200 He:750 H2:480 Ar:1160
压缩比:N2:1E9 He:1E4 H2:1E3 Ar:1E9
极限压强(Pa):CF:6E-7 ISO-K:6E-6
最大连续前级压强(Pa):400
最大前级压强(Pa):N2:500
最大气载量(sccm):N2:2300 He:1700 H2:1350 Ar:870
额定转速(RPM):24000
启动时间(min):≤9
冷却方式:水冷
冷却水流量(L/min):≥1
冷却水温度(℃):≤25
电源电压(V AC):DC24/AC220
最大功率(W):≤750
适配电源型号:FD-II、FD-IIB、TCDP-II、TD-II
建议前级泵(L/s):15
重量(kg):39(LF) 41(CF)
尺寸

产品特性

FF-200/1200油润滑泵应用于电子器件由北京中科科仪股份有限公司 为您提供,如您想了解更多关于FF-200/1200油润滑泵应用于电子器件报价、参数等信息 ,欢迎来电或留言咨询。

















第1年
通过仪器仪表网【www.yqybw.cn】认证 


FF-100/300型仪器分子泵应用于表面
FF-160/620油润滑泵应用于化工行业
ZQJ-3200型氦质谱检漏仪应用于食品
FF-100/300型仪器分子泵应用于3d打
ZDF-71B5真空计应用于物理研究
F-400/3500B 油润滑分子泵应用于制
CXF-250/2301型磁悬浮分子泵应用于
ZDF-11B5真空计应用于航空航天领域
ZDF-62B5真空计用于各种制造装置

鲁公网安备37021402001368号