- 产地:
- 安徽
- 型号:
- SEM5000X
SEM5000X是一款超高分辨率场发射扫描电子显微镜,其分辨率达到了突破性的0.6 nm@15 kV和1.0 nm@1 kV。高分辨物镜设计、高压隧道技术(SuperTunnel)以及镜筒工艺升级,实现了低电压分辨率的进一步提升。全新设计的样品仓,扩展接口增加至16个,快速换样仓最大支持8寸晶圆(最大直径208 mm),极大扩展应用范围。高级扫描模式和自动功能增强,带来了更强的性能和更好的体验。
产品特点

超高分辨率
(0.6 nm@15 kV)

高压隧道技术

*双减速模式(Dul-Dec)

机械优中心样品台

*快速换样仓(最大8寸)
产品优势
01 超高分辨率成像,达到了突破性的0.6 nm@15 kV和1.0 nm@1 kV
02 样品台减速和高压隧道技术组合的双减速技术,挑战极限样品拍摄场景
03 高精度机械优中心样品台、超稳定性的机架减震设计,可搭配整体罩壳设计,极大减弱环境对极限分辨率的影响
04 最大支持8寸晶圆(最大直径208 mm)的快速换样仓,满足半导体和科研应用需求
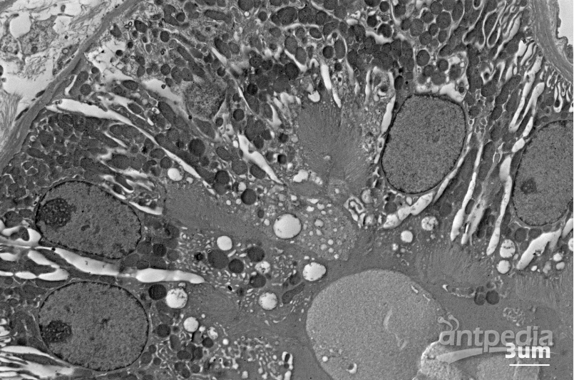
应用案例

介孔二氧化硅/1 kV(Dul-Dec)/lnlens

阳极氧化铝板 /10 kV/Inlens

芯片/5 kV/BSED-COMP

肾脏切片 /5 kV/BSED-COMP

泡沫镍/2 kV/ETD-SE

蓝宝石衬底/5 kV/ETD-SE

金颗粒/1 kV/Inlens

光刻胶/2 kV/ETD-SE

磁性粉末/10 kV/Inlens

二氧化硅球/3 kV/ETD-SE

催化剂/1 kV/ETD-SE

波导/1 kV/ETD-SE
产品参数
| 关键参数 | 分辨率 | 0.6 nm @ 15 kV,SE |
| 1.0 nm @ 1 kV,SE | ||
| 加速电压 | 20 V ~ 30 kV | |
| 放大倍率 | 1 ~ 2,500,000 x | |
| 电子枪类型 | 肖特基场发射电子枪 | |
| 样品室 | 真空系统 | 全自动控制 |
| 摄像头 | 双摄像头(光学导航+样品仓内监控) | |
| 样品台类型 | 五轴机械优中心样品台 | |
| 样品台行程 | X=110 mm,Y=110 mm,Z=65 mm | |
| T: -10°~+70°,R: 360° | ||
| 探测器和扩展 | 标配 | 镜筒内电子探测器 |
| 旁侧二次电子探测器(ETD) | ||
| 选配 | 插入式背散射电子探测器(BSED) | |
| 插入式扫描透射探测器(STEM) | ||
| 能谱仪(EDS) | ||
| 背散射衍射(EBSD) | ||
| 样品交换仓(4寸和8寸可选) | ||
| 轨迹球&旋钮控制板 | ||
| 样品台减速 | ||
| 磁场噪音屏蔽系统(SEMI认证) | ||
| 软件 | 语言 | 中文 |
| 操作系统 | Windows | |
| 导航 | 光学导航、手势快捷导航 | |
| 自动功能 | 自动亮度对比度、自动聚焦、自动像散 |
国产超高分辨场发射扫描电子显微镜 SEM5000X由国仪量子技术(合肥)股份有限公司 为您提供,如您想了解更多关于国产超高分辨场发射扫描电子显微镜 SEM5000X报价、参数等信息 ,欢迎来电或留言咨询。

















第1年


国仪量子 国产碳纳米管研究高温
国仪量子 国产台式小型电子顺磁
国仪量子 国产SEM5000氢燃料电池
国仪量子 国产V-Sorb 2800P全自
国仪量子 国产量子光学实验平台
国仪量子 国产V-Sorb X800(SM)单
国仪量子 国产V-Sorb 4800全自动
国仪量子 国产V-Sorb 4804TP全
国仪量子 国产拥有模块化设计 超
国仪量子 国产V-Sorb 4800P全自

鲁公网安备37021402001368号