- 产地:
- 北京
- 型号:
- FF-160/700F
应用于真空冷冻机械:在某些应用,如大型设施、机器、太空器、飞行器和智能手机等中,真空分子泵是真空冷冻机械中的重要组件,用于流部件保护和冷却。
产品特点
任意角度安装,便于系统集成,紧凑型结构
复合抽气结构,高前级压强下仍保持较大抽速
高强度转子,适用于复杂工业过程
使用方便、应用范围广、性能稳定
应用领域
科学研究、晶体晶振、真空炉、电真空、新能源、新材料、真空干燥、低温制冷、电子器件
技术指标
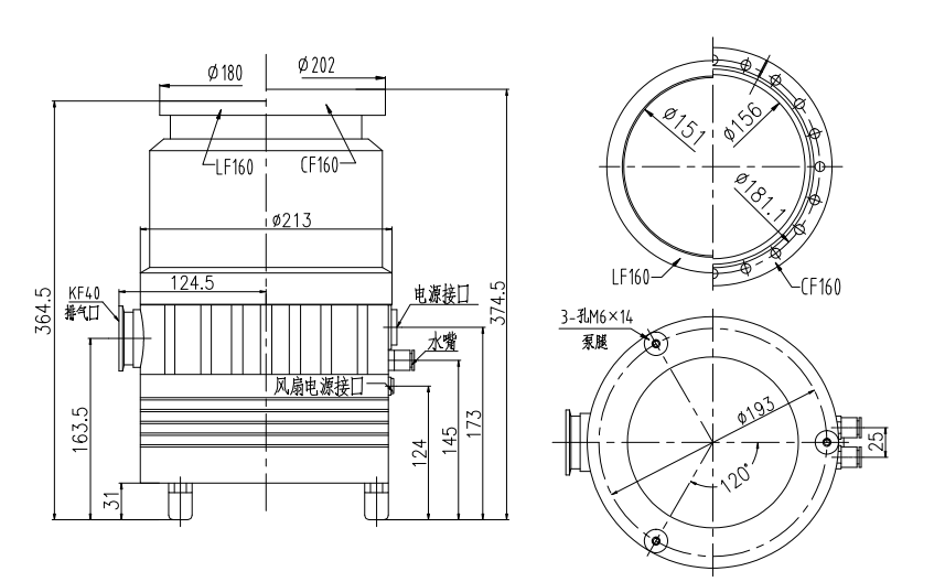
进气口法兰:DN160 CF DN160 ISO-K
排气口法兰(ISO-KF):DN40
抽速速率(L/s):N2:700 He:580 H2:260 Ar:680
压缩比:N2:1E9 He:1E7 H2:1E6 Ar:1E9
极限压强(Pa):CF:6E-8 ISO-K:6E-7
最大连续前级压强(Pa):300
最大前级压强(Pa):N2:550
最大气载量(sccm):N2:1400 He:1000 H2:800 Ar:550
额定转速(RPM):36000
启动时间(min):≤7
冷却方式:水冷或风冷
冷却水流量(L/min):≥1
冷却水温度(℃):≤25
电源电压(V AC):DC24/AC220
最大功率(W):≤500
适配电源型号:FD-II、FD-IIB、TCDP-II、TD-II
建议前级泵(L/s):4~8
重量(kg):23(LF)24.5(CF)
尺寸

产品特性

FF-160/700F 型脂润滑分子泵应用于真空冷冻机械由北京中科科仪股份有限公司 为您提供,如您想了解更多关于FF-160/700F 型脂润滑分子泵应用于真空冷冻机械报价、参数等信息 ,欢迎来电或留言咨询。

















第1年
通过仪器仪表网【www.yqybw.cn】认证 


FJ-620型分子泵机组应用于食品
FJ-100型分子泵机组应用于显像管领
CXF-200/1401型磁悬浮分子泵应用于
FF-160/700F 型脂润滑分子泵应用于
KYKY ZQJ-2300氦质谱检漏仪
ZDZ-52T/0B7真空计应用于物理学研究
RV系列旋片泵应用于电子工业
FF-160/700F 型脂润滑分子泵应用于
小型离子溅射仪
FF-63/80型仪器分子泵应用于晶圆制

鲁公网安备37021402001368号