- 产地:
- 北京
- 型号:
- FF-200/1200
润滑油泵在化工行业也得到了广泛的应用。化工行业的生产过程中,往往需要大量的润滑油来保证设备的正常运行。润滑油泵能够准确、稳定地输送润滑油,满足化工设备高速运转和高温环境下的润滑需求。同时,润滑油泵所采用的高性能材料和先进技术,使其能够抵御酸碱腐蚀和高温侵蚀,提高设备的使用寿命和生产效率。
产品特点
能满足较恶劣的使用环境要求(高温、粉尘等)
性能稳定,使用寿命长
维护保养简单,方便操作
适用范围广,性能稳定
应用领域
科学研究、加速器、碳化硅、晶体晶振、真空炉、电真空、新能源、新材料、真空干燥、低温制冷、电子器件
技术指标
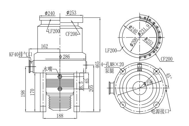
进气口法兰:DN200 CF DN200 ISO-K
排气口法兰(ISO-KF):DN40
抽速速率(L/s):N2:1200 He:750 H2:480 Ar:1160
压缩比:N2:1E9 He:1E4 H2:1E3 Ar:1E9
极限压强(Pa):CF:6E-7 ISO-K:6E-6
最大连续前级压强(Pa):400
最大前级压强(Pa):N2:500
最大气载量(sccm):N2:2300 He:1700 H2:1350 Ar:870
额定转速(RPM):24000
启动时间(min):≤9
冷却方式:水冷
冷却水流量(L/min):≥1
冷却水温度(℃):≤25
电源电压(V AC):DC24/AC220
最大功率(W):≤750
适配电源型号:FD-II、FD-IIB、TCDP-II、TD-II
建议前级泵(L/s):15
重量(kg):39(LF) 41(CF)
尺寸

产品特性

FF-200/1200油润滑泵应用于化工行业由北京中科科仪股份有限公司 为您提供,如您想了解更多关于FF-200/1200油润滑泵应用于化工行业报价、参数等信息 ,欢迎来电或留言咨询。

















第1年
通过仪器仪表网【www.yqybw.cn】认证 


ZQJ-3200型氦质谱检漏仪应用于电厂
ZQJ-3200型氦质谱检漏仪应用于医学
FF-40/25型脂润滑分子泵
F-400/4500 油润滑分子泵应用于装饰
全自动磁控离子溅射仪 GVC-2000
FF-160/700F 型脂润滑分子泵用于电
ZDF-52B5真空计用于真空炉
ZDF-52B5真空计用于材料科学
镀膜机
ZQJ-230D型氦质谱检漏仪应用于阀门

鲁公网安备37021402001368号