- 产地:
- 北京
- 型号:
- FF-250/1600G
润滑油泵在机械制造行业的应用十分广泛。机械制造行业对于润滑油泵要求较高,希望通过润滑油泵将润滑油均匀地输送到机械装置的各个部分,以减少设备的磨损和故障。润滑油泵具备良好的耐磨性和抗腐蚀性,能够稳定、高效地输送润滑油,从而减少设备的维修次数和故障率,提高机械设备的使用寿命和生产效率。
产品特点
抗冲击型,适用于负载较大的情况
能满足较恶劣的使用环境要求(高温、粉尘等)
性能稳定,使用寿命长
维护保养简单,方便操作
适用范围广,性能稳定
应用领域
科学研究、加速器、碳化硅、晶体晶振、ITO镀膜、光学镀膜、装饰镀膜、平板显示、真空炉、电真空、新能源、新材料、真空干燥、低温制冷、电子器件
技术指标
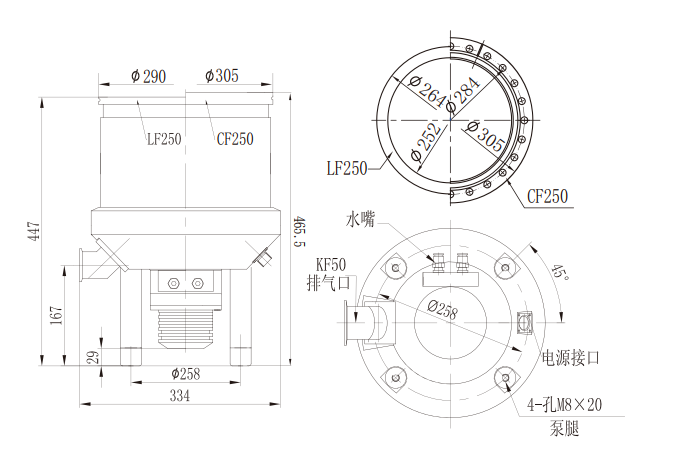
进气口法兰:DN250 CF DN250 ISO-K
排气口法兰(ISO-KF):DN50
抽速速率(L/s):N2:1600 He:1550 H2:1000 Ar:640
压缩比:N2:1E8 H2:5E3 He:1E4 Ar:1E8
极限压强(Pa):CF:6E-7 ISO-K:6E-6
最大连续前级压强(Pa):200
最大前级压强(Pa):N2:650
最大气载量(sccm):N2:2500 He:1850 H2:1450 Ar:950
额定转速(RPM):24000
启动时间(min):≤9
冷却方式:水冷
冷却水流量(L/min):≥1
冷却水温度(℃):≤25
电源电压(V AC):DC24/AC220
最大功率(W):≤750
适配电源型号:FD-II、FD-IIB、TCDP-II、TD-II
建议前级泵(L/s):15
重量(kg):47(LF) 50(CF)
尺寸

产品特性

FF-250/1600G 油润滑泵应用于机械制造由北京中科科仪股份有限公司 为您提供,如您想了解更多关于FF-250/1600G 油润滑泵应用于机械制造报价、参数等信息 ,欢迎来电或留言咨询。

















第1年
通过仪器仪表网【www.yqybw.cn】认证 


CXF-250/2301型磁悬浮分子泵应用于
ZDF-11B7真空计应用于工业生产
KYKY-EM6900钨灯丝扫描电子显微镜
FF-200/1200油润滑泵应用于化工行业
FF-200/1300F型脂润滑分子泵用于光
FF-200/1300F型脂润滑分子泵
ZDR-27/0B6 真空计应用于气象研究
SBC-2型试样表面处理机用于溅射靶电
FJ-100型分子泵机组应用于气相分析
ZDZ-52T/0B7真空计

鲁公网安备37021402001368号