- 产地:
- 日本
- 型号:
- OEM镜筒透镜
不断提升的显微镜相机传感器尺寸和分辨率造就了对超宽视场光学器件的需求。我们的SWTLU-C紧凑型超宽视场镜筒透镜和超宽视场UIS2物镜可产生均匀平坦的图像,并且26.5毫米视场中的像差几乎可忽略不计。SWTLU-C镜筒透镜小巧轻便,可以方便集成到您的光学系统中。
均匀的超宽图像出色的像差校正在与UIS2物镜配合使用时,SWTLU-C镜筒透镜可提供较小球面像差和色差的优质图像。
26.5毫米超宽视场在每幅图像中采集更多数据的同时,还可体验26.5 毫米视场平坦均匀的图像质量。
利用 XRF组件定制您自己的光学器件在UIS2物镜和镜筒透镜之间插入其他光学器件时,可确保图像不会失真。

镜筒透镜(22毫米)与SWTLU-C(26.5毫米)对比

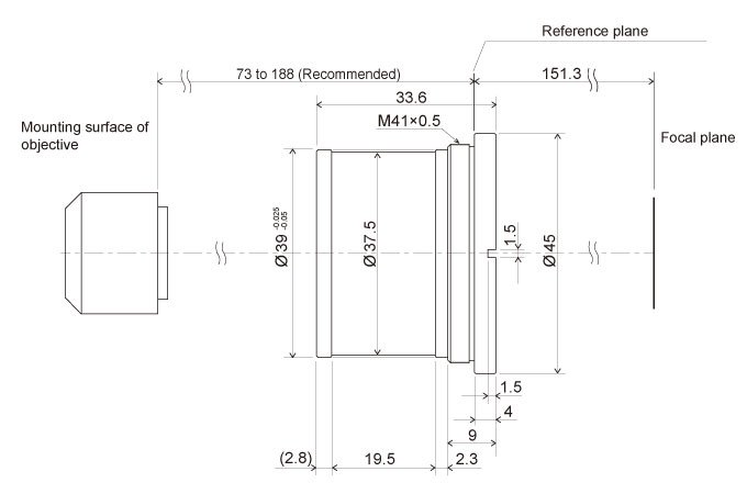
使用标准M41×0.5螺纹安装镜筒透镜单元(SWTLU-C)。
f180镜筒透镜该镜筒透镜设计用于与 XRF物镜配对使用。其180毫米的焦距以及无补偿设计可以完全校正物镜和镜筒透镜的像差。
尺寸紧凑SWTLU-C体积小巧,可实现灵活的设备集成。

| 产品名称 | SWTLU-C |
|---|---|
| 外形尺寸 | φ45 × 33.6毫米 |
| 重量 | 94克 |
| 投射区 | 26.5毫米 *1) |
| 焦距f | 180毫米 |
| 倍率 | 1X *2) |
| 焦平面位置 | 距参考平面151.3毫米 |
| 安装螺纹 | M41 x A2 |
| 安装方式 | 旋入螺纹 |
* 1)与FN26.5物镜组合
* 2)与UIS2物镜(专为f180毫米镜筒透镜设计)组合




OEM组件-超宽视场镜筒透镜由仪景通光学科技(上海)有限公司 为您提供,如您想了解更多关于OEM组件-超宽视场镜筒透镜报价、参数等信息 ,欢迎来电或留言咨询。




















MVX10研究型宏观变倍显微镜
CX43 生物显微镜
CM30 细胞培养智能质控小助手
精选
CX23 正置显微镜
FV4000 激光扫描共聚焦显微镜
SpinSR10 转盘共聚焦超高分辨率显微
IX3-ICSI/IMSI 倒置显微镜
LC30 Microscope Digital Camera
精选

鲁公网安备37021402001368号