- 产地:
- 日本
- 型号:
- JMS-Q1500GC
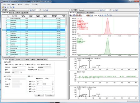
◇ GC/MS综合分析软件“Escrime™”
Escrime软件旨在为GC/MS数据的解析提供更简单、更高效的综合分析,并提供了新的用户界面。新开发的定性分析软件将定性分析所需要的信息整合到了一个窗口。谱峰列表(Peak List)管理所有的谱峰信息,能高效率地进行谱图分析、谱库检索及生成色谱图等。

为了使定性分析和定量分析的分析条件易于调整,新的Escrime 和msPrimo软件包直接衔接,操作的整体方便性得到了显著的提升,是非常适合对多样品、多成分进行定量分析的软件。定量分析结果的报告书格式可根据需要编辑和制作。

◇ 内容更加丰富的解决方案
*自动顶空进样器(HS) GC/MS系统
自动顶空进样器是用来分析含有挥发性有机化合物(VOC)的固体、液体样品的前处理装置。 日本电子研发的自动顶空进样器有定量环和捕集阱两种标配模式,是与众不同的HS系统。从前用定量环模式难以测试的水中土霉味致嗅物质,现在检测浓度可以低至1ppt。此外,它还适用于测试含有挥发性成分的食物、材料等。


照片是日本电子的JMS-Q1500GC和自动顶空进样器的组合系统
*热裂解GC/MS系统
热裂解GC/MS系统是热裂解仪与气相色谱质谱仪的联用系统(PY-GC-MS)。利用热裂解仪对样品的热萃取或热裂解,分析由此产生的有机化合物。该系统可以用于聚合物材料的分析,例如合成聚合物、橡胶等。

照片是Frontier Lab公司的多功能裂解器 (EGA/PY-3030D)、自动进样系统(AS-1020E)和JMS-Q1500GC的PY-GC-MS的组合系统。
◇ 直接进样杆 DIP/ DEP
JMS-Q1500GC备有两种直接进样杆,可以根据样品的形态、物性或分析目的选择。

DIP: Direct Insertion Probe DEP: Direct Exposure Probe
◇ 降低运行成本
节能设计使得耗电量比旧机型减少了10%。

通过进一步提高日本电子的引入式透镜技术,SCAN模式下,灵敏度达到最高的S/N=1000:1 (1pg OFN)。在SIM模式下,仪器的检出限达到10fg OFN,甚至更低。
◇ 高灵敏度的SCAN模式和SIM模式

进样次数 | RT.(min) | Area | 相对标准偏差 | IDL |
1 | 5.57 | 3065 | ||
2 | 5.57 | 2902 | ||
3 | 5.57 | 2981 | ||
4 | 5.57 | 2955 | ||
5 | 5.57 | 3028 | ||
6 | 5.57 | 3024 | ||
7 | 5.57 | 2987 | ||
8 | 5.57 | 3053 | 1.8% | 6.3fg |
EIC(m/z 272) from 8 times sequential measurement of 100fg OFN by SIM
◇ 新功能 “PEAK DEPENDENT SIM”
不再需要繁琐的分组设置, “PEAK DEPENDENT SIM” 可以自动设置最佳分组,任何人都能在优化的SIM条件下方便地进行测试。SIM测试中每组最多有100个通道,最多有300组。此外,每个通道的采集时间在0.1ms以上,可以任意设定*。 (*取决于选择的SIM设置模式。)

PEAK DEPENDENT SIM 条件和通常的SIM条件的灵敏度对比
PEAK DEPENDENT SIM条件下的灵敏度是通常的SIM条件下获得的灵敏度的2.4~5.5倍(3种农药成份对比)。

◇ 维护成本更低
JMS-Q1500GC采用了大离子源窗口设计,便于维护保养,离子源的取出和插入离子化室都无需工具。

JMS-Q1500GC 是日本电子新一代气相色谱-四极杆质谱联用仪,具有优异的性能和更多的四极杆质谱技术优势,适用于众多应用场合如环境分析中的农用化学品、霉味分析,材料分析,以及嗅探分析等。
日本电子JMS-Q1500GC 气相色谱-四极杆质谱仪 嗅探分析由日本电子株式会社(JEOL) 为您提供,如您想了解更多关于日本电子JMS-Q1500GC 气相色谱-四极杆质谱仪 嗅探分析报价、参数等信息 ,欢迎来电或留言咨询。

















第1年



日本电子JEM-F200自动进样透射电镜
日本电子JASM-6200大气压扫描电镜
日本电子JMS-T200GC AccuTOF GC气相
日本电子JBX-3050MV 电子束光刻系统
日本电子IB-19530CP截面样品制备装
日本电子JED-2300/2300F 能谱仪
日本电子CRYO ARM™ 300 II (JEM-33
日本电子JEM-ACE200F 高效分析型电
日本电子JBX-3050MV 电子束光刻系统
高速分析热场发射扫描电子显微镜

鲁公网安备37021402001368号